导读: 将特色炼焦煤按生产工艺和产品要求混合,然后放入与空气隔绝的密闭炼焦炉中,通过高、中、低温干馏转化为焦炭、焦炉煤气和化工产品。 炼焦炉类型包括:常规焦炉、余热回收焦炉、半焦(半焦)炭化炉。 化学工业污染物排放环节,污染物类别和排放形式清单排放标准GB 161
炼焦炉大气污染物排放标准,炼焦炉大气污染物排放标准(GB16171-1996)
排放特征
炼焦煤按生产工艺和产品要求配比后,装入隔绝空气的密闭炼焦炉内,经高、中、低温干馏转化 为焦炭、焦炉煤气和化学产品的工艺过程。炼焦炉型包括:常规机焦炉、热回收焦炉、半焦(兰炭) 炭化炉三种。
炼焦化学工业污染物排放环节、
污染物种类及排放形式一览表
排放标准
GB 16171-2012《炼焦化学工业污染物排放标准》
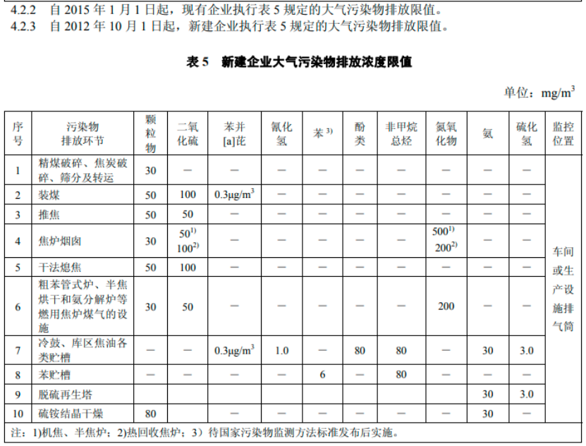
2012 年 10 月 1 日至 2014 年 12 月 31 日止,现有企业执行表 4 规定的大气污染物排放限值。
根据国家环境保护工作的要求,在国土开发密度较高、环境承载能力开始减弱,或大气环境容量 较小、生态环境脆弱,容易发生严重大气环境污染问题而需要采取特别保护措施的地区,应严格控制 企业的污染物排放行为,在上述地区的企业执行表 6 规定的大气污染物特别排放限值。 执行大气污染物特别排放限值的地域范围、时间,由国务院环境保护行政主管部门或省级人民政府 规定。
方案构成
根据地方生态环境主管部门的不同要求,推荐方案如下
有组织排放:HA-VOCS1000 + HA-VOCS3000(A)方案
无组织排放:HA-VOCS3000(B) + HYPERSENSE 1000 方案
方案优势
A.HA-VOCS1000优势
1. 快速旁路
具有快速旁通流路,仪表采样响应速度快
2. 全热法
系统采用全热法,从采样探头到分析全程高温,无需除水,有效避免样品损失,保证监测数据准确可靠
3. 高温过滤探头
具备自动吹扫功能,可自动去除探头滤芯表面的粉尘,延长探头使用寿命
4. 可扩展
系统可监测总烃、甲烷、非甲烷总烃、苯系物、恶臭以及上百种有机废气等,可满足不同客户的监测需求
B.HA-VOCS3000A/B优势
1. 长寿命传感器
配置自主研发超长寿命PID传感器,使用年限可达3年,
2. 广谱性
内置200多种VOCs气体库,方便用户选择
3. 配置多样性
多种针对性预处理配置方案,减少环境影响,满足多工况需求
4. 人机交互
HMI人机交流界面操作简便,具备实时显示、历史查询、报警记录等功能
5. 功能性强
丰富通讯接口,满足各种环保上传需求,故障自诊断,用户迅速判断和解决突发故障
6. 无线通讯
可配置无线通讯模块,实现现场与用户控制中心的无线通讯,信号接收灵敏度高、抗干扰能力强;
7. 可扩展性
固定源选配温压流监测仪,计算烟道中烟气的温度,压力,流速
厂界可扩展增加风向,风速,气温,气压,湿度检测,用于工业园区厂界监测
C. HYS1000便携式VOCS气体检测仪优势
1.
外置传感器仓维护便捷,无需拆卸整机,即可更换传感器和过滤件,
2.
万向采样探头方便特殊角度,受限空间检测
3.
大容量存储标配60万条数据存储容量,可轻松存储12个月内的检测数据,无需配置内存卡
4.
ID设置可进行用户和检测地点ID设置,存储不同用户,不同地点的检测信息
5.
对比监测可做治理前后VOC对比监测,可进行去除率计算
实用案例
唐山港陆焦化有限公司
唐山港陆焦化有限公司
唐山建龙钢铁焦化厂
唐山建龙钢铁焦化厂
唐山建龙钢铁焦化厂
总结:以上内容就是对于炼焦炉大气污染物排放标准,炼焦炉大气污染物排放标准(GB16171-1996)的详细介绍,文章内容部分转载自互联网,希望对您了解炼焦炉大气污染物排放标准有帮助和参考的价值。
版权声明
本站搜集来源于网络,如侵犯到任何版权问题,请立即告知本站,本站将及时予与删除并致以最深的歉意。
